欢迎光临山东威利思新型建材科技有限公司官方网站!
咨询热线:
0530-5951177
网站首页
关于我们
产品展示
工程案例
新闻中心
常见问题
资质荣誉
在线留言
联系我们
index?-1:1,index)" v-for="(item,index) in carousel" :key="index" :class="index===active?'item active':'item'">{{index+1}}
<
>
您的位置:
网站首页
>
内容管理
>
新闻中心
>
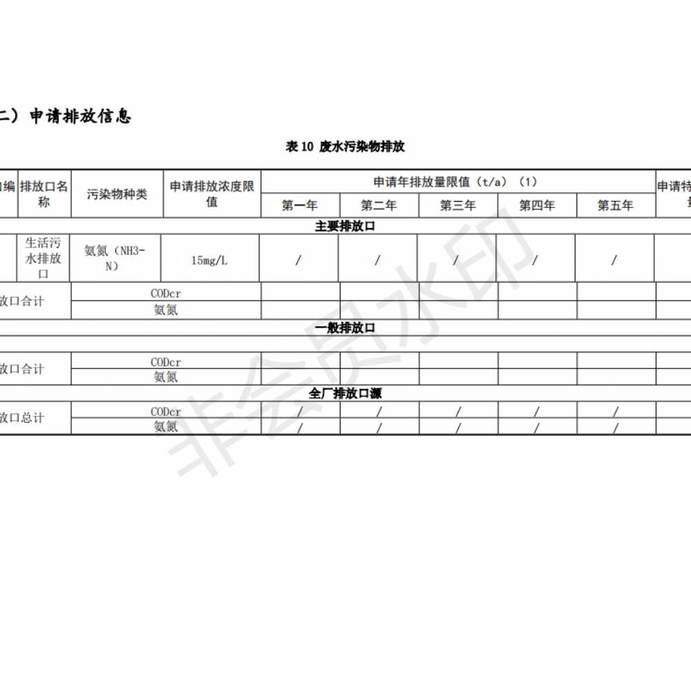
排污许可证申请前信息公开表
产品分类
product category
保温外墙一体板
保温外墙一体板
无机预涂板系列
多彩漆材饰面系列
仿石材岩片真石漆漆饰面
氟碳金属漆饰面系列
柔性饰面砖
腻子
内墙腻子
外墙腻子
砂浆
粘接砂浆/抹面砂浆
聚合物胶浆
真石漆
多彩漆
水包水多彩漆
水包砂多彩漆
乳胶漆
内墙乳胶漆
外墙乳胶漆
罩面漆
高弹拉毛漆
抗碱底漆
仿大理石漆
排污许可证申请前信息公开表
排污许可证申请前信息公开表
排污许可证申请前信息公开表
山东威利思新型建材科技有限公司
联系人:林经理
手机:13061571177
座机:0530-5951177
地址:山东省菏泽市丹阳东路2677号
信息详情
排污许可证申请前信息公开表 2020-9-1 10:58:43 本文被阅读 6587 次
上一条:
乳胶漆的分类及组成
猜你喜欢
乳胶漆的分类及组成
排污许可证申请前信息公开表
决定外墙保温工程质量的四大因素
选购外墙涂料的常识和诀窍
中国建筑保温材料行业现状及未来